La désignation de référence permet d’adresser de manière univoque les entrées et sorties
ou les bornes de différents appareils au sein d’un système.
La norme EN 61346-2 remplace depuis 2001 la norme DIN 40719-2. Elle est appliquée par tous les constructeurs automobiles pour identifier les différents composants électriques des véhicules. Les installations, appareils, composants sont ainsi représentés par des symboles de connexion dans les schémas de connexion. Ils apparaissent à proximité immédiate du symbole de connexion qu’ils représentent.

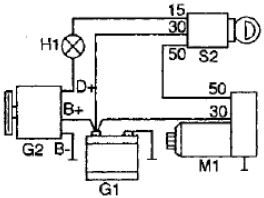
Exemple de schéma de raccordement imagé d’un circuit de démarrage

